Ingvald Ludvigsens gate 23
3027 Drammen
Fon +47 9006 1100
Fax
1. Choose the number of carriages
2. Choose the type of carriage
3. Enter the carriage length in mm
4. Choose the carriage options
5. Choose the rail options
You can find detailed information in the drawings below and also on the pages listed below. You can find more precise information on the floating bearing types within the construction rules.
no floating bearing
2Floating bearing in z-direction
3Floating bearing in y-direction
4Floating bearing in yz-direction
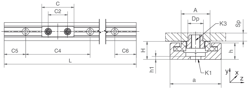
Guide rails
| Part No. | L max. | a | C4 | C5 min. | C6 max. | h | h1 | K1 | ly [mm²] | lz [mm²] | Weight [g/m] |
|---|---|---|---|---|---|---|---|---|---|---|---|
| NS-01-17(-AR) | 2.000 | 17 | 60 | 20 | 49,5 | 5,5 | 0,9 | Ø3,5 | 1.700 | 120 | 150 |
| Part No. | H ±0,35 | A | C | C2 | K3 | Sp | Dp | Weight [g] |
|---|---|---|---|---|---|---|---|---|
| NW-02-17(-P) | 6 | 9,6 | 20 | 14 | M3 | 2,5 | 5,0 | 1,7 |
| NW-22-17-30 | 6 | 9,6 | 30 | 18 | M3 | 2,5 | 5,0 | 2,4 |
| NW-22-17-40 | 6 | 9,6 | 40 | 28 | M3 | 2,5 | 5,0 | 2,6 |
