Solid plastic adapter bolts with corresponding circlips are used as accessories for dimensional series K rod ends. The igubal® adapter bolts consist of shock-resistant, long fibre reinforced polymer POM.
Ingvald Ludvigsens gate 23
3027 Drammen
Fon +47 9006 1100
Fax
Solid plastic adapter bolts with corresponding circlips are used as accessories for dimensional series K rod ends. The igubal® adapter bolts consist of shock-resistant, long fibre reinforced polymer POM.
Very low weight
Absolute corrosion resistance
Combinable with rod end bearings of the dimensional series K
Vibration dampening
Simple installation
Defined installation space
Available for left-hand and right-hand threads
|
Part No.: |
|
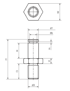
| d1 [mm]: | |
| Max. static axial tensile strength | Max. static shear force | Connecting thread | |||||
|---|---|---|---|---|---|---|---|
| Order no. | short term | Long-term | short term | Long-term | ds | d1/h11 | d3 |
| [N] | [N] | [N] | [N] | [mm] | [mm] | ||
| PKRM-05 | 100 | 50 | 200 | 100 | 4 | 5 | M05 |
| PKRM-06 | 150 | 75 | 250 | 125 | 4 | 6 | M06 |
| PKRM-08 | 250 | 125 | 400 | 200 | 5 | 8 | M08 |
| PKRM-10 | 500 | 250 | 600 | 300 | 7 | 10 | M10 |
| PKRM-12 | 700 | 350 | 900 | 450 | 9 | 12 | M12 |
| PKRM-14 | 800 | 400 | 1100 | 550 | 12 | 14 | M14 |
| PKRM-16 | 900 | 450 | 1400 | 700 | 12 | 16 | M16 |
| PKRM-18 | 800 | 400 | 1700 | 850 | 13 | 18 | M18 x 1.5 |
| PKRM-20 | 500 | 250 | 2200 | 1100 | 15 | 20 | M20 x 1.5 |
| More about selected part: | |||||||
3D-CAD
Product page
Sample request
Experts
PDF
Quote request
Price list
myCatalog
|
|||||||
| Order no. | m | W
Width across flats |
l1
Total length |
l2
Nut width |
l3
Thread length |
l4
Length fitting pins |
Weight | ||
|---|---|---|---|---|---|---|---|---|---|
| [mm] | [mm] | [mm] | [mm] | [mm] | [g] | ||||
| PKRM-05 | 1.15 | SW 8 | 25 | 2.7 | 11.3 | 8.5 | 0.7 | 10.51 EUR | ![]() |
| PKRM-06 | 1.2 | SW 10 | 28 | 3.2 | 12.8 | 9.5 | 1.2 | 10.82 EUR | ![]() |
| PKRM-08 | 1.2 | SW 13 | 32 | 4 | 12.5 | 12.5 | 2.6 | 11.04 EUR | ![]() |
| PKRM-10 | 1.4 | SW 16 | 37.5 | 5 | 14.5 | 14.5 | 4 | 11.56 EUR | ![]() |
| PKRM-12 | 1.5 | SW 18 | 42 | 6 | 15.5 | 16.5 | 7.5 | 12.75 EUR | ![]() |
| PKRM-14 | 1.7 | SW 21 | 47 | 7 | 15.5 | 19.5 | 11.4 | 17.53 EUR | ![]() |
| PKRM-16 | 1.7 | SW 24 | 52 | 8 | 16.5 | 22 | 16.9 | 9.57 EUR | ![]() |
| PKRM-18 | 1.7 | SW 27 | 59 | 9 | 20.5 | 24 | 16.9 | Upon request | ![]() |
| PKRM-20 | 2 | SW 30 | 67 | 10 | 25 | 26 | 34.4 | 13.32 EUR | ![]() |
| More about selected part: | |||||||||
3D-CAD
Product page
Sample request
Experts
PDF
Quote request
Price list
myCatalog
|
|||||||||
|
Part No.: |
|
| d1 [mm]: | |
| Max. static axial tensile strength | Max. static shear force | Connecting thread | |||||
|---|---|---|---|---|---|---|---|
| Order no. | short term | Long-term | short term | Long-term | ds | d1/h11 | d3 |
| [N] | [N] | [N] | [N] | [mm] | [mm] | ||
| PKLM-05 | 100 | 50 | 200 | 100 | 4 | 5 | M05 |
| PKLM-06 | 150 | 75 | 250 | 125 | 4 | 6 | M06 |
| PKLM-08 | 250 | 125 | 400 | 200 | 5 | 8 | M08 |
| PKLM-10 | 500 | 250 | 600 | 300 | 7 | 10 | M10 |
| PKLM-12 | 700 | 350 | 900 | 450 | 9 | 12 | M12 |
| PKLM-14 | 800 | 400 | 1100 | 550 | 12 | 14 | M14 |
| PKLM-16 | 900 | 450 | 1400 | 700 | 12 | 16 | M16 |
| PKLM-18 | 800 | 400 | 1700 | 850 | 13 | 18 | M18 x 1.5 |
| PKLM-20 | 500 | 250 | 2200 | 1100 | 15 | 20 | M20 x 1.5 |
| More about selected part: | |||||||
3D-CAD
Product page
Sample request
Experts
PDF
Quote request
Price list
myCatalog
|
|||||||
| Order no. | m | W
Width across flats |
l1
Total length |
l2
Nut width |
l3
Thread length |
l4
Length fitting pins |
Weight | ||
|---|---|---|---|---|---|---|---|---|---|
| [mm] | [mm] | [mm] | [mm] | [mm] | [g] | ||||
| PKLM-05 | 1.15 | SW 8 | 25 | 2.7 | 11.3 | 8.5 | 0.7 | 6.57 EUR | ![]() |
| PKLM-06 | 1.2 | SW 10 | 28 | 3.2 | 12.8 | 9.5 | 1.2 | Upon request | ![]() |
| PKLM-08 | 1.2 | SW 13 | 32 | 4 | 12.5 | 12.5 | 2.6 | 6.89 EUR | ![]() |
| PKLM-10 | 1.4 | SW 16 | 37.5 | 5 | 14.5 | 14.5 | 4 | 11.56 EUR | ![]() |
| PKLM-12 | 1.5 | SW 18 | 42 | 6 | 15.5 | 16.5 | 7.5 | Upon request | ![]() |
| PKLM-14 | 1.7 | SW 21 | 47 | 7 | 15.5 | 19.5 | 11.4 | Upon request | ![]() |
| PKLM-16 | 1.7 | SW 24 | 52 | 8 | 16.5 | 22 | 16.9 | Upon request | ![]() |
| PKLM-18 | 1.7 | SW 27 | 59 | 9 | 20.5 | 24 | 16.9 | Upon request | ![]() |
| PKLM-20 | 2 | SW 30 | 67 | 10 | 25 | 26 | 34.4 | 13.32 EUR | ![]() |
| More about selected part: | |||||||||
3D-CAD
Product page
Sample request
Experts
PDF
Quote request
Price list
myCatalog
|
|||||||||
