igus online tools
Download CAD
Shopping Cart
(0)
DE-DE (NO)
Shop
Configurators
Product information
Industries
Services
Company
My contact person
NO
(EN)
Change Language :
NO (EN)
igus-icon-arrow-right
Home
igus-icon-arrow-right
Linear technology
igus-icon-arrow-right
N low-profile guides
igus-icon-arrow-right
Rails
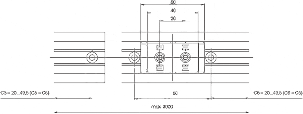
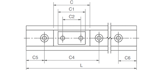
drylin N Rails
drylin linear guide expert
igus-icon-3arrow
drylin® N low-profile guide system core box
igus-icon-3arrow
Number of products:
0
List
Tiles
Relevance
Price ascending
Price descending
Delivery time
New products
Unfortunately, there are currently no products available in this category. Do you need assistance or a customized solution? The igus® LiveChat will help you immediately! Or
send us a message!
igus-icon-arrow-up