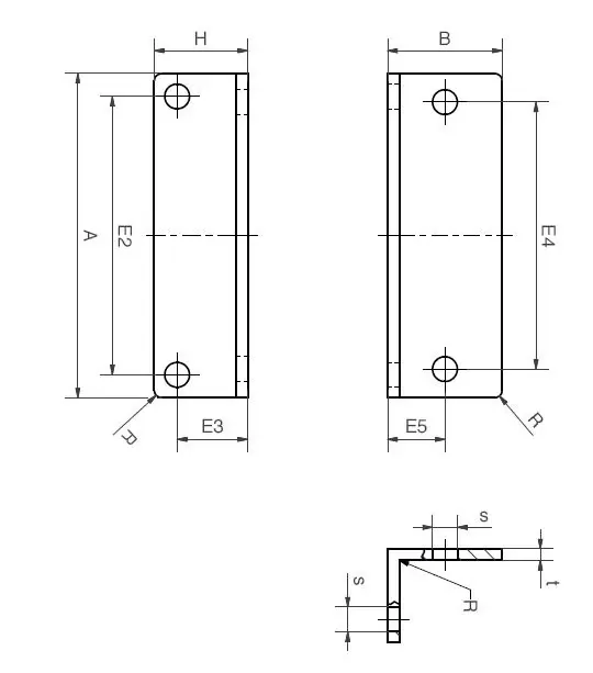
drylin® SHT-WS is the new angle kit for the spindle linear table series SHT. Stainless steel angles for sizes 12 and 20 allow any combination of XY tables.
2 different sizes
Can be combined with all drylin® spindle linear tables from the SHT/SHTC/SHTS series in sizes 12 and 20
Industries: Special machine construction
Product services
Download catalogue data
Free catalogue extract with all technical data for this product range.