Change Language :
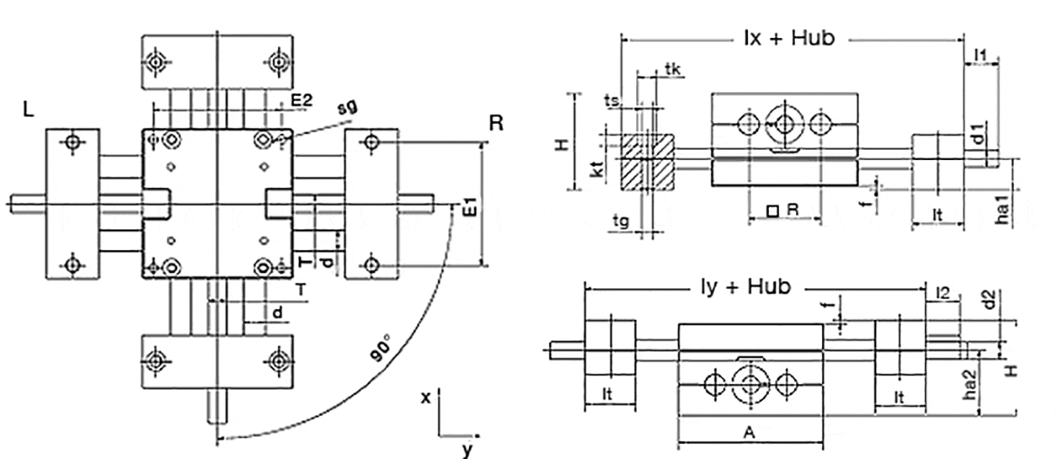
| Part No. | A, -0,3 [mm] | H [mm] | E1, ±0,15 [mm] | E2, ±0,15 [mm] | Basic length lx [mm] | Basic length ly [mm] | R [mm] | f [mm] | lt, ±0.1 [mm] | tk [mm] | ts [mm] | tg | kt [mm] |
|---|---|---|---|---|---|---|---|---|---|---|---|---|---|
| SHT-XY-12 | 85 | 56 | 70 | 73 | 145 | 145 | 42 | 2 | 30 | 11 | 6.6 | M8 | 6.4 |
| SHT-XY-08 | 65 | 42 | 52 | 56 | 96 | 96 | 32 | 1.5 | 15.5 | 10 | 5.5 | M6 | 7 |
| SHT-XY-12-PL | 85 | 56 | 70 | 73 | 145 | 145 | 42 | 2 | 30 | 11 | 6.6 | M8 | 6.4 |
| SHT-XY-20-EWM-PL | 130 | 86 | 108 | 115 | 202 | 202 | 72 | 2 | 36 | 15 | 9 | M10 | 8.6 |
| Part No. | sg | d [mm] | T | l1 [mm] | d1 Standard | d1 Alternative | l2 [mm] | d2 standard | d2 Alternative | ha1 [mm] | ha2 [mm] | W, ha2-ha1 [mm] |
|---|---|---|---|---|---|---|---|---|---|---|---|---|
| SHT-XY-12 | M6 | 12 | TR10x2 | 17 | TR10x2 | 6h9 | 17 | 6h9 | 18 | 38 | 20 | |
| SHT-XY-08 | M5 | 8 | TR6x2/TR6.35x2.54 | 15.5 | TR6x2/TR6.35x2.54 | 5 | 15 | 5 | 13 | 29 | 16 | |
| SHT-XY-12-PL | M6 | 12 | TR10x2 | 17 | TR10x2 | 6h9 | 17 | 6h9 | 18 | 38 | 20 | |
| SHT-XY-20-EWM-PL | M8 | 20 | TR18x4 | 26 | TR18x4 | - | 26 | 12h9 | 23 | 63 | 40 |
The following options are available for the SHT-XY product range.
