Change Language :

SHTP-FF in lightweight all-plastic design
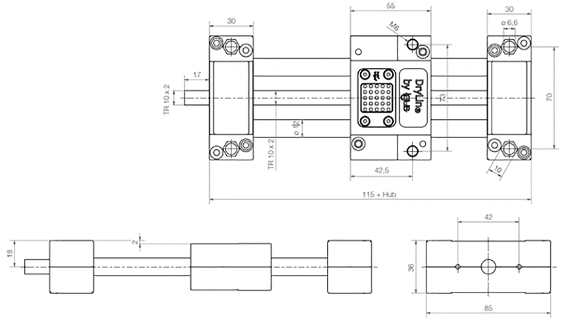
The SHTP-linear module with quick-release mechanism has all the advantages of the aluminium versions, but is much lighter due to the plastic design of the slides and crossbars. A linear module with a stroke length of 100 mm weighs just 0.35 kg.

...order ready-to-connect linear modules with stroke lengths of 250 and 500 mm in the online shop.