Please choose your delivery location

The selection of the country/region page can influence various factors such as price, shipping options and product availability.
My contact person
ASI Automatikk AS

Distributor

Sankt Hallvards vei 3, port 8

3414 Lierstranda

NORWAY

+47 9006 1100
NO(EN)

drylin® N - Low profile linear guide system NK-12-27-80

Version 02 - standard with threaded pin
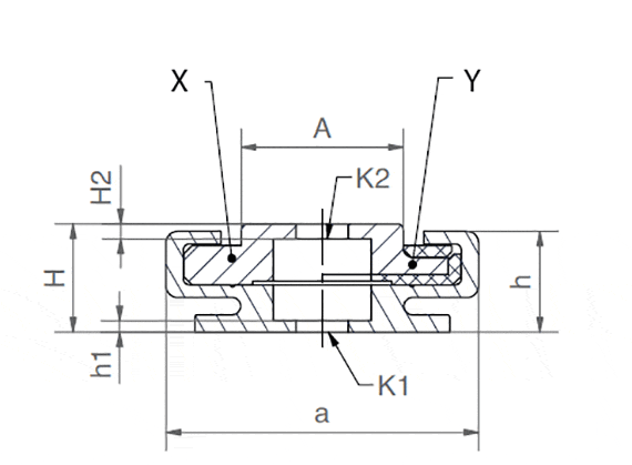
Part No. Max. rail lengths a C4 A3 C5=C6 h h1 K1* ly lz Rail weight Price / m  
  [L max.]       Min. max.       [mm2] [mm2] [g/m]    
ready for shipping in 24-48 hours NS-01-27 3000 27 60 0 20 49.5 9 1.1 M4 6524 588 290 534.77 NOK Add to shopping cart
ready for shipping in 24-48 hours NS-01-27-UNGEBOHRT 3000 27 0 0 9 1.1 0 6524 588 290 486.68 NOK Add to shopping cart
ready for shipping in 24-48 hours NS-01-27-AR 3000 27 60 0 20 49.5 9 1.1 M4 6524 588 290 641.84 NOK Add to shopping cart
More about selected part:
3D-CAD 3D-CAD
Sample request Sample request
PDF PDF
Quote request Quote request
myCatalog myCatalog

For unbored rails please indicate "Unbored" in the remark.
* for cylinder screw with low head

Version 12 - coated with threaded hole:

Order no. Designation Weight of carriage    
    [g]    
ready for shipping in 10 working days NW-12-27-80-LLZ Carriage, floating bearing z-direction 25 156.26 NOK Add to shopping cart
ready for shipping in 10 working days NW-12-27-80-LLY Carriage, floating bearing y-direction 25 156.26 NOK Add to shopping cart
ready for shipping in 24-48 hours NW-12-27-80-LLYZ Carriage, floating bearing y- und z-direction 25 156.26 NOK Add to shopping cart
More about selected part:
3D-CAD 3D-CAD
Sample request Sample request
PDF PDF
Quote request Quote request
myCatalog myCatalog

Version 12: Dimensions [mm] - guide carriages

Part No. H A C C1 C2 H2 K K3 Spmin. DpØmin. Weight    
  ±0,35                       [g/m]    
ready for shipping in 10 working days NW-12-27-80-LLZ 9.5 14 80 76 60 0 0 M4 5 6.5 25 156.26 NOK Add to shopping cart
ready for shipping in 10 working days NW-12-27-80-LLY 9.5 14 80 76 60 0 0 M4 5 6.5 25 156.26 NOK Add to shopping cart
ready for shipping in 24-48 hours NW-12-27-80-LLYZ 9.5 14 80 76 60 0 0 M4 5 6.5 25 156.26 NOK Add to shopping cart
More about selected part:
3D-CAD 3D-CAD
Sample request Sample request
PDF PDF
Quote request Quote request
myCatalog myCatalog

Ordering of a complete system

Configuration in few steps:

1. Selection of the number of carriages
2. Selection of the type of carriage
3. Entry of the rail length in mm
4. Selection of the carriage options
5. Selection of the rails options.

Hint:

Detailed information can be found below in the drawings as well as in the below-mentioned pages. You can obtain precise specifications on the floating bearing options within the design rules.
1

no floating bearing

2

Floating bearing in z-direction

3

Floating bearing in y-direction

4

Floating bearing in yz-direction

drylin® NK-12-27-80 – complete system

Step 1

Enter the required number of carriages.

technical drawing
No. of carriages:

X = Version: one-piece | Y = Version: multi-piece


ready for shipping in 24-48 hours
ready for shipping in 10 working days

The terms "Apiro", "AutoChain", "CFRIP", "chainflex", "chainge", "chains for cranes", "ConProtect", "cradle-chain", "CTD", "drygear", "drylin", "dryspin", "dry-tech", "dryway", "easy chain", "e-chain", "e-chain systems", "e-ketten", "e-kettensysteme", "e-loop", "energy chain", "energy chain systems", "enjoyneering", "e-skin", "e-spool", "fixflex", "flizz", "i.Cee", "ibow", "igear", "iglidur", "igubal", "igumid", "igus", "igus improves what moves", "igus:bike", "igusGO", "igutex", "iguverse", "iguversum", "kineKIT", "kopla", "manus", "motion plastics", "motion polymers", "motionary", "plastics for longer life", "print2mold", "Rawbot", "RBTX", "RCYL", "readycable", "readychain", "ReBeL", "ReCyycle", "reguse", "robolink", "Rohbot", "savfe", "speedigus", "superwise", "take the dryway", "tribofilament", "tribotape", "triflex", "twisterchain", "when it moves, igus improves", "xirodur", "xiros" and "yes" are legally protected trademarks of the igus® SE & Co. KG/ Cologne in the Federal Republic of Germany and where applicable in some foreign countries. This is a non-exhaustive list of trademarks (e.g. pending trademark applications or registered trademarks) of igus SE & Co. KG or affiliated companies of igus in Germany, the European Union, the USA and/or other countries or jurisdictions.

igus® SE & Co. KG points out that it does not sell any products of the companies Allen Bradley, B&R, Baumüller, Beckhoff, Lahr, Control Techniques, Danaher Motion, ELAU, FAGOR, FANUC, Festo, Heidenhain, Jetter, Lenze, LinMot, LTi DRiVES, Mitsubishi, NUM,Parker, Bosch Rexroth, SEW, Siemens, Stöber and all other drive manufacturers mention on this website. The products offered by igus® are those of igus® SE & Co. KG